
Особенности продукции Ходовое торможение с использованием полностью закрытого мокрого многодискового тормоза, гидравлическое торможение, выпуск пружины, надежное торможение, длительный срок службы тормоза Стояночное торможение с использованием пружинного торможения, гидравлическое высвобожден...
Ходовое торможение с использованием полностью закрытого мокрого многодискового тормоза, гидравлическое торможение, выпуск пружины, надежное торможение, длительный срок службы тормоза
Стояночное торможение с использованием пружинного торможения, гидравлическое высвобождение, аварийная ситуация как тормоз движения, чтобы обеспечить безопасность движения
При буксировке автомобиля можно вручную освободить тормоза
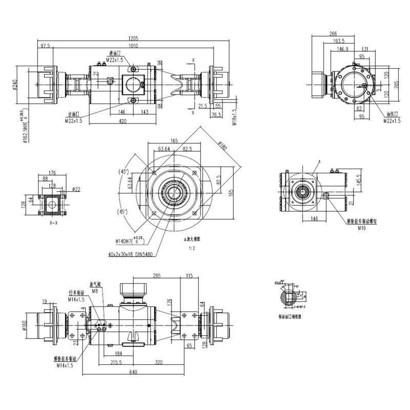
Заменяемый: подвеска для шахт DANA SPICER 1010
| Параметры |
Единицы измерения |
Численность |
|
Максимальное тормозное давление |
Mpa | 8 |
|
Снятие тормозного давления со стоянки |
Mpa | 1.5~3 |
|
Скорость главного редуктора |
2.462 | |
|
Скорость бортового редуктора |
4.235 | |
|
Общее отношение скоростей |
10.425 | |
|
Максимальная статическая несущая способность |
N | 100000 |
|
Максимальная динамическая несущая способность |
N | 50000 |